EL TRANSFORMADOR
Recordar de la primer guía que las máquinas estáticas no disponen de partes móviles como el transformador.
¿Qué es un trasformador? Y ¿Cuáles son las partes de un transformador?
Este aparato se considera una maquina eléctrica estática (o sea que no tiene movimiento alguno en sus parte constitutivas) que permite cambiar los valores de la Tensión (V) y Corriente (I) sin alterar los valores de la Frecuencia (F) y la Potencia (P) de una manera significativa. O sea que se alimenta con energía eléctrica y entrega energía eléctrica pasando por una etapa intermedia en donde la energía se encuentra en forma de flujo magnético (Φ)).
El bobinado primario (Bp) y el secundario (Bs) son arrollamientos de alambre elaborado con material conductor (cobre generalmente), ambos bobinados se encuentran enrollados a un núcleo magnético formado comúnmente por chapas apiladas y sujetas fuertemente mediante remaches o tornillos.
Las chapas del núcleo se encuentran eléctricamente aisladas entre sí gracias a un barniz u oxido y los remaches, que sujetan esas chapas, también se encuentran eléctricamente aislados de las chapas mediante barniz.
En cuanto a los alambres conductores, estos poseen un aislación especial mediante una capa de esmalte que los recubre para evitar cortocircuitos en cada uno de los arrollamientos. Ambos devanados se encuentran arrollados uno sobre otro en un carrete plástico que abraza al núcleo, la razón por la cual se construyen de esa manera es para mejorar el rendimiento del aparato.
Asimismo, las distintas capas de los bobinados se encuentran aislados entre sí mediante papeles especiales y, a su vez, tanto el devanado primario como el secundario se encuentran aislados . Es decir que no existe contacto eléctrico entre ambos devanados.
Como se ve en la imagen siguiente, el núcleo esta formado por chapas apiladas una al lado de la otra, también se aprecia que existen dos tipos de chapa una con forma de “ I “ y otra con forma de “ E “.
Tipos de núcleos
¿Cómo funcionan los transformadores?
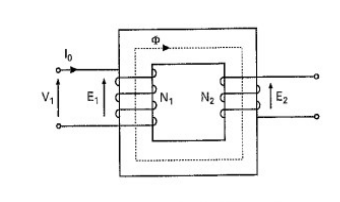
Su funcionamiento se basa en la Inducción Electromagnética. Imaginemos que conectamos los extremos del bobinado primario a una fuente de Tensión Alterna (V1) de forma senoidal (exactamente como la tenemos en nuestras casas), imaginemos que el valor de voltaje es de 220v eficaces.
Lo que ocurre es que, gracias la tensión variable, comienza a circular por la bobina una pequeña corriente eléctrica (I0), a su vez, dicha corriente alterna senoidal genera un flujo magnético variable (también senoidal) que circula por el núcleo; dicho flujo corta las espiras del bobinado primario generando una FEM llamada (E1) debido al fenómeno de auto-inducción, es decir que al circular esa corriente (I0) a través del bobinado primario induce una FEM que se opone en todo momento a la causa que le da origen (LEY de LENZ) por lo que tiene siempre el mismo valor de (V1) pero siempre con un sentido opuesto.
La expresión que veremos a continuación es una forma general de expresar la LEY de FARADAY en donde podemos apreciar que el valor instantáneo de esa tensión (E1) depende de la cantidad de espiras N1 del bobinado primario y de la rapidez con la cual varíe en flujo magnético (Ф)) con respecto a la variación del tiempo (t).
Aclaración:
e1: es el valor instantáneo de E1 , se lo llama así porque es el valor que se obtiene según los distintos valores que tomaría el flujo magnético (Ф)) a medida que pase el tiempo (t) .
N1: es la cantidad de espiras o vueltas del bobinado primario.
ΔФ: es la variación del flujo magnético.
Δ t: es la variación del tiempo.
Δ (delta, es una letra griega usada para designar una variación o cambio) .
También se aclara que la tensión alterna en Argentina tiene una frecuencia de 50Hz es
decir que el flujo magnético cambia 50 veces en un segundo.
Ahora bien, en el bobinado secundario se induce también una FEM (E2) que es generada por la variación del flujo magnético que corta las espiras de éste devanado (N2), se menciona que el flujo magnético es el mismo en todo el núcleo de la máquina ya que todo el conjunto de chapas de éste forman el circuito magnético del transformador y por otro lado cabe aclarar que E2 también es una tensión alterna al igual que V1 .
Después de la explicación antes expuesta podemos entender que al conectar una fuente de tensión alterna en el bobinado primario le estamos aportando energía eléctrica la sistema, esa energía se transforma en energía que se encuentra en forma de flujo magnético que luego vuelve a transformarse en energía eléctrica que puede ser aprovechada en los bornes del bobinado secundario.
La expresiones que veremos a continuación se obtienen de la forma general de la LEY de FARADAY.
Como podemos ver las tensiones inducidas en cada uno de los bobinados dependerán de la cantidad de vueltas de sus bobinados ya que todas las demás magnitudes son iguales.
Relación de transformación
Si dividimos las expresiones de tensión primaria y secundaria, obtenemos como resultado lo que se denomina relación de transformación (m). Eso se debe a que como dijimos las otras magnitudes son iguales.
Si (m) es mayor que 1 el transformador es reductor de tensión y si es menor que uno es elevador de tensión.
Aclaración
Todo lo antes expuesto se desarrolla teniendo presente el comportamiento ideal de un transformador, es decir que no se consideran las perdidas que estos sufren, ello será considerado a posterior.







Comentarios
Publicar un comentario